
聯系人:趙經理
手 機:18915198233
電 話:0517-86985588
地 址:江蘇省金湖縣戴樓工業集中區
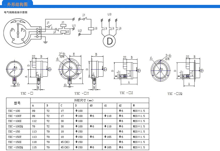
YXC電接點壓力表適用于測量對銅及銅合金無腐蝕、無爆炸危險、非結晶的各種液體、氣體等介質的壓力。儀表經與相應電氣件(繼電器或接觸器)配套使用,可達到對被測壓力系統實現...
| 產品名稱 | 產品型號 | 連接螺紋 | 精 度 | 測量范圍(MPa) |
| 電接點壓力表 | YX-60 | M14×1.5 | 2.5 | 0~0.6~2.5~40 |
| YX-100 | M20×1.5 | 1.6 | ||
| YX-150 | ||||
| 不銹鋼電接點壓力表 | YX-60B | |||
| YX-100B | ||||
| YX-150B | ||||
| 磁柱電接點壓力表 | YXC-100 | |||
| YXC-150 | ||||
| 氧氣電接點壓力表 | YOX-100 | |||
| YOX-150 | ||||
| 氨用電接點壓力表 | YAX-100 | |||
| YAX-150 | ||||
| 耐溫電接點壓力表 | YTWX-100 | |||
| YTWX-150 | ||||
| 耐震電接點壓力表 | YTNX-100 | |||
| YTNX-150 | ||||
| 防爆電接點壓力表 | YX-160-B | |||
| 高工作電壓 | DC220V或AC380V | |||
| 控制方式 | 上下限 | |||
| 執行標準 | JB/T9273-1999,JB/T6804-2006 | |||
| 備 注 | 如其它連接方式等特殊規格訂貨時請文字標明; | |||
| YX | 電接點壓力表 |
| C | 接點裝置接點形式:磁助作用 |
| N | 耐震 |
| 代 碼 | 表盤直徑 |
|
60 100 150 |
ф60 ф100 ф150 |
| 代 碼 | 儀表材質 |
|
無 B |
一般材質 材質不銹鋼 |
| 代 碼 | 儀表形式(可復選) |
|
Z T Q |
軸向(徑向無需標注) 帶邊(不帶邊無需標注) 前邊(后邊無需標注) |
| 量程:0~□□□MPa(KPa) | |
Copyright ? 2022-2024 江蘇飛翔儀表有限公司 All Rights Reserved. 蘇ICP備2021035707號-1 XML地圖
技術支持:飛翔儀表